![]() |
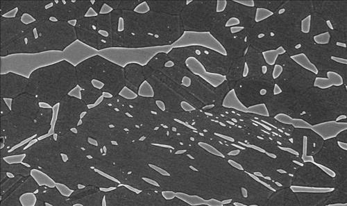
| △ '더 가볍고 더 강하고 더 유연한' 철강 소재 개발. 새로 개발된 철강 소재의 단면을 2만배로 확대한 사진. 밝은 회색 부분이 철-알루미늄 금속간화합물로 골고루 퍼져 있는 이 부분이 철강에 힘이 가해져 변형이 일어날 때 주변 합금의 이동을 잡아주는 역할(전위 Pinning)을 해 강도는 높이고 유연성은 좋게 하는 역할을 한다. |
'더 가볍고 강하고 유연한' 철강 개발…차량 경량화 기대
포스텍 김한수 교수 "무게·강도·연성 우수…비용은 티타늄 10분의1"
(서울=연합뉴스) 이주영 기자 = 국내 연구진이 자동차에 사용되는 철강 소재보다 강도는 50% 이상 높으면서 가공성은 더 우수하고 무게는 훨씬 가벼운 새로운 철강 소재를 개발했다.
포스텍 김낙준·김한수 교수팀은 4일 '네이처'에서 철(Fe)에 알루미늄(Al)을 첨가해 내부구조를 조절하는 방식으로 티타늄에 버금갈 만큼 '튼튼하면서도 가볍고, 변형 시 쉽게 부러지지 않는' 철강 소재를 개발했다고 밝혔다.
세계 자동차 업계는 최근 연비를 높이기 위해 차체에 철강 대신 알루미늄합금 등 경량합금 사용을 늘리고, 가벼우면서 강하고 유연한 소재를 개발하는 연구에 경쟁적으로 나서고 있다.
특히 철과 알루미늄을 합금화해 비중은 낮추고 강도는 높이는 연구가 널리 수행되고 있으나 알루미늄량을 늘리면 내부조직에 철-알루미늄 금속간화합물이 생기면서 변형 시 철강이 잘 부러지는 문제가 있었다.
연구진은 이 연구에서 철-알루미늄 금속간화합물을 부러지지 않을 정도로 작게 만들고 철강 내부에 골고루 분포되도록 하는 기술을 개발해 이 문제를 극복했다.
철에 탄소 0.8%와 망간 15%, 알루미늄 10%, 니켈 5%를 넣어 철강의 일반적인 열처리 온도인 900℃에서 가공, 금속간화합물 크기를 수십∼수백 나노미터(㎚=10억분의1m)로 줄이고 골고루 분포되게 했다.
철강 조직에 고르게 분포된 금속간화합물은 힘이 가해져 변형이 일어날 때 주변 합금의 이동을 잡아주는 역할(전위 Pinning)을 해 강도는 높이고 유연성은 더 좋게 하는 역할을 한다.
이렇게 만든 새로운 철강 소재는 기존 자동차용 철강소재보다 강도는 50% 이상 높으면서 무게는 13∼15% 가볍고 연성이 좋아 변형 시에 잘 부러지지 않는 성질을 보였다.
특히 가벼우면서도 강도가 강한 것으로 알려진 티타늄과 강도는 비슷하면서도 2배 이상 잘 늘어나 변형이 쉽고 티타늄보다 소재 비용이 10분의 1 정도밖에 안 돼 경제성도 갖췄다고 연구진은 설명했다.
이 연구는 2013년 국제특허 출원을 마쳤으며 현재 대량생산 가능성 타진을 위해 포스코에서 시험생산을 앞두고 있다.
김한수 교수는 "새로 개발된 소재는 무게와 강도, 연성이 티타늄에 버금갈 만큼 우수한 소재로 그 비용도 저렴하고 기존 철강제조설비를 활용할 수 있는 장점이 있다"며 "이번에 고안된 합금 설계 개념은 조선, 토목 등 경량화가 필요한 구조재 개발에도 응용될 수 있을 것"이라고 말했다.
[저작권자ⓒ 부산부자동네카임즈. 무단전재-재배포 금지]






































